振动筛12年生产厂家
过滤,除杂,分级

50HZ电源频率:
380v电压:
<80k(电阻法)温升:
广泛应用于矿山、煤炭、电力、化工、粮食加工、冶金、铸造、轻工、医药等行业

全国统一销售热线
免费获取报价

XUM振动电机是我公司新近开发的新型振动电机产品,设计精巧,运行安全可靠,安装维护方便,简化结构、降低成本,使得振动筛对物料的处理量更大;激振力能在一定范围内非常容易地进行无极调节,满足各种作业需求;使用新型密封技术及进口密封件,大大提高了振动电机的防尘防潮能力,产品能在各种高尘高潮湿场所安全稳定运行;各项先进的设计及精密的制造过程,确保产品具有特长使用寿命。

XUM振动电机是在双轴伸的转子轴两端各安装一组可调偏心块,利用偏心块旋转产生的离心力得到激振力。振动电机的激振力大、能耗小、噪声低、寿命长。它使用于料仓、料斗、溜槽的仓壁振动,还是自同步直线振动筛、振动给料机、振动输送机等各种振动机械的激振源,是冶金、矿山、煤炭、建材、化工等部门的理想设备,有广泛的应用范围。
XUM振动电机集动力源和振动源为一体,是一种高效的通用性激振源,体积。ふ窳Υ,结构可靠,使用维护方便,简称振动电机。其它名称:振打电机,震打电机,震动电机。本系列产品广泛应用于矿山、煤炭、电力、化工、粮食加工、冶金、铸造、轻工、医药等行业。是实现粉状、粒状、块状等散体料机械化筛分、输送、破碎、充填、防堵塞的理想激振源。本机可单机使用,也可多机组合使用。
XUM振动电机满足下列条件时,能连续输出额定激振力。
(1) 振动加速度:不超过7g(g:重力加速度)
(2) 环境温度:不超过40℃
(3) 海拔:不超过1000m
(4) 电源频率:50HZ
(5) 电压:380v
(6) 温升:小于80K(电阻法)
XUM振动电机型号由三部分组成(如下示例)
XUM-5-4
XUM ---振动电机
5 ---大激振力(千牛顿)
4 ---极数

|
振动电机型号 |
振频 (r/min) |
激振力 (KN) |
额定功率 (KW) |
额定电流 (A) |
|
XUM-0.7-2 |
3000 | 0.7 | 0.15 | 0.38 |
|
XUM-1.5-2 |
1.5 | 0.15 | 0.38 | |
|
XUM-2.5-2 |
2.5 | 0.25 | 0.58 | |
|
XUM-5-2 |
5 | 0.40 | 1.01 | |
|
XUM-8-2 |
8 | 0.75 | 1.76 | |
|
XUM-16-2 |
16 | 1.50 | 3.59 | |
|
XUM-20-2 |
20 | 1.80 | 4.24 | |
|
XUM-30-2 |
30 | 2.00 | 4.92 | |
|
XUM-45-2 |
45 | 3.00 | 7.00 | |
|
XUM-1.2-4 |
1500 | 1.2 | 0.07 | 0.30 |
|
XUM-2.5-4 |
2.5 | 0.10 | 0.32 | |
|
XUM-5-4 |
5 | 0.20 | 0.65 | |
|
XUM-8-4 |
8 | 0.40 | 1.14 | |
|
XUM-16-4 |
16 | 0.75 | 1.91 | |
|
XUM-25-4 |
25 | 1.50 | 3.72 | |
|
XUM-32-4 |
32 | 2.00 | 4.69 | |
|
XUM-40-4 |
40 | 2.20 | 5.06 | |
|
XUM-50-4 |
50 | 2.50 | 6.25 | |
|
XUM-75-4 |
75 | 4.00 | 10.14 | |
|
XUM-100-4 |
100 | 6.00 | 14.60 | |
|
XUM-120-4 |
120 | 8.00 | 19.40 | |
|
XUM-140-4 |
140 | 10.00 | 24.16 | |
|
XUM-160-4 |
160 | 10.00 | 24.16 | |
|
XUM-2.5-6 |
1000 | 2.5 | 0.20 | 0.70 |
|
XUM-5-6 |
5 | 0.40 | 1.23 | |
|
XUM-8-6 |
8 | 0.55 | 1.68 | |
|
XUM-10-6 |
10 | 0.75 | 2.11 | |
|
XUM-16-6 |
16 | 1.10 | 3.03 | |
|
XUM-20-6 |
20 | 1.50 | 3.77 | |
|
XUM-26-6 |
26 | 1.90 | 4.80 | |
|
XUM-30-6 |
30 | 2.20 | 5.47 | |
|
XUM-40-6 |
40 | 3.00 | 7.20 | |
|
XUM-50-6 |
50 | 3.70 | 9.28 | |
|
XUM-75-6 |
75 | 5.50 | 13.31 | |
|
XUM-100-6 |
100 | 7.50 | 17.93 | |
|
XUM-120-6 |
120 | 8.50 | 19.76 | |
|
XUM-125-6 |
125 | 9.50 | 21.70 | |
|
XUM-140-6 |
140 | 9.50 | 21.70 | |
|
XUM-160-6 |
160 | 12.00 | 27.37 | |
|
XUM-180-6 |
180 | 14.00 | 31.87 |

|
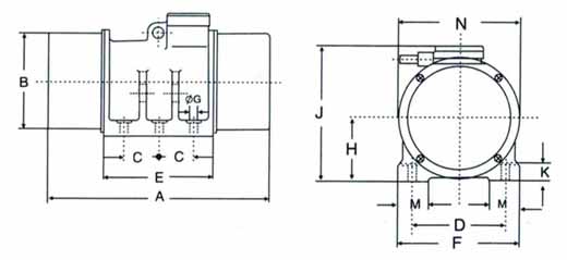
振动电机型号 |
安装尺寸(mm) |
外形尺寸(mm) | ||||||||||
|
C |
D | ΦG | A | B | E | F | H | J | K | M | N | |
|
XUM-0.7-2 |
90 | 130 | 4-Φ11 | 265 | 95 | 130 | 160 | 70 | 160 | 15 | 40 | 135 |
|
XUM-1.5-2 |
90 | 130 | 4-Φ11 | 265 | 95 | 130 | 160 | 70 | 160 | 15 | 40 | 135 |
|
XUM-2.5-2 |
100 | 140 | 4-Φ13 | 310 | 143 | 150 | 170 | 80 | 185 | 16 | 45 | 172 |
|
XUM-5-2 |
120 | 150 | 4-Φ18 | 342 | 173 | 180 | 200 | 100 | 245 | 20 | 54 | 204 |
|
XUM-8-2 |
140 | 170 | 4-Φ18 | 390 | 192 | 210 | 220 | 110 | 270 | 20 | 60 | 224 |
|
XUM-16-2 |
140 | 200 | 4-Φ18 | 450 | 250 | 220 | 250 | 140 | 300 | 22 | 60 | 282 |
|
XUM-20-2 |
83 | 230 | 6-Φ22 | 560 | 285 | 270 | 280 | 157 | 335 | 25 | 75 | 320 |
|
XUM-30-2 |
105 | 248 | 6-Φ22 | 610 | 320 | 295 | 310 | 172 | 365 | 28 | 75 | 360 |
|
XUM-45-2 |
118 | 280 | 6-Φ26 | 640 | 353 | 340 | 340 | 190 | 406 | 28 | 85 | 390 |
|
XUM-1.2-4 |
90 | 130 | 4-Φ11 | 265 | 92 | 130 | 160 | 70 | 160 | 15 | 40 | 135 |
|
XUM-2.5-4 |
100 | 140 | 4-Φ13 | 310 | 143 | 150 | 170 | 80 | 185 | 16 | 45 | 172 |
|
XUM-5-4 |
120 | 150 | 4-Φ18 | 378 | 173 | 180 | 200 | 100 | 245 | 20 | 54 | 204 |
|
XUM-8-4 |
140 | 170 | 4-Φ18 | 410 | 192 | 210 | 220 | 110 | 270 | 20 | 60 | 224 |
|
XUM-16-4 |
140 | 200 | 4-Φ18 | 450 | 250 | 220 | 250 | 140 | 300 | 220 | 60 | 282 |
|
XUM-25-4 |
83 | 230 | 4-Φ22 | 560 | 28/5 | 270 | 280 | 157 | 335 | 25 | 75 | 320 |
|
XUM-32-4 |
105 | 248 | 6-Φ22 | 610 | 320 | 295 | 310 | 172 | 365 | 28 | 75 | 360 |
|
XUM-40-4 |
105 | 248 | 6-Φ22 | 610 | 320 | 295 | 310 | 172 | 365 | 28 | 75 | 360 |
|
XUM-50-4 |
118 | 280 | 6-Φ26 | 640 | 353 | 340 | 340 | 190 | 406 | 28 | 85 | 390 |
|
XUM-75-4 |
120 | 320 | 6-Φ32 | 720 | 373 | 370 | 400 | 200 | 420 | 30 | 102 | 410 |
|
XUM-100-4 |
140 | 380 | 6-Φ32 | 760 | 420 | 420 | 460 | 225 | 460 | 32 | 120 | 470 |
|
XUM-120-4 |
140 | 440 | 6-Φ38 | 790 | 420 | 420 | 520 | 225 | 480 | 35 | 120 | 470 |
|
XUM-140-4 |
118 | 460 | 8-Φ38 | 910 | 480 | 490 | 550 | 260 | 520 | 38 | 120 | 550 |
|
XUM-160-4 |
118 | 460 | 8-Φ38 | 910 | 480 | 490 | 550 | 260 | 520 | 38 | 120 | 550 |
|
XUM-2.5-6 |
120 | 150 | 4-Φ18 | 378 | 173 | 180 | 200 | 100 | 245 | 20 | 54 | 204 |
|
XUM-5-6 |
140 | 170 | 4-Φ18 | 438 | 192 | 210 | 220 | 110 | 270 | 20 | 60 | 224 |
|
XUM-8-6 |
140 | 170 | 4-Φ18 | 450 | 250 | 220 | 220 | 140 | 300 | 20 | 60 | 282 |
|
XUM-10-6 |
140 | 200 | 4-Φ18 | 450 | 250 | 220 | 250 | 140 | 300 | 22 | 60 | 282 |
|
XUM-16-6 |
140 | 200 | 4-Φ18 | 530 | 250 | 220 | 250 | 140 | 300 | 22 | 60 | 282 |
|
XUM-20-6 |
83 | 230 | 6-Φ22 | 560 | 285 | 270 | 280 | 157 | 335 | 25 | 75 | 320 |
|
XUM-26-6 |
105 | 248 | 6-Φ22 | 610 | 320 | 295 | 310 | 172 | 365 | 28 | 75 | 360 |
|
XUM-30-6 |
105 | 248 | 6-Φ22 | 610 | 320 | 295 | 310 | 172 | 365 | 28 | 75 | 360 |
|
XUM-40-6 |
105 | 248 | 6-Φ22 | 650 | 320 | 295 | 310 | 172 | 365 | 28 | 75 | 360 |
|
XUM-50-6 |
118 | 280 | 6-Φ26 | 700 | 353 | 340 | 340 | 190 | 406 | 28 | 85 | 390 |
|
XUM-75-6 |
120 | 32 | 6-Φ32 | 800 | 373 | 370 | 400 | 200 | 420 | 30 | 102 | 410 |
|
XUM-100-6 |
140 | 380 | 6-Φ32 | 830 | 420 | 420 | 460 | 225 | 460 | 32 | 120 | 470 |
|
XUM-120-6 |
140 | 440 | 6-Φ38 | 910 | 420 | 420 | 520 | 225 | 480 | 35 | 120 | 470 |
|
XUM-125-6 |
118 | 460 | 8-Φ38 | 910 | 480 | 490 | 550 | 260 | 520 | 38 | 120 | 550 |
|
XUM-140-6 |
118 | 460 | 8-Φ38 | 940 | 480 | 490 | 550 | 260 | 520 | 38 | 120 | 550 |
|
XUM-160-6 |
118 | 460 | 8-Φ38 | 980 | 480 | 490 | 550 | 260 | 520 | 38 | 120 | 550 |
|
XUM-180-6 |
120 | 520 | 8-Φ45 | 1050 | 510 | 530 | 610 | 270 | 560 | 40 | 125 | 580 |
1.保修期内非因操作不当造成需要更换的零配件及设备由我厂负责包修、包换。
2.质量保证期结束后,我厂将继续免费提供售后服务,不限年份终身服务,仅收取零部件成本费,免收人工费,免收维修费。
为了向您提供完善的售后服务,请将您的宝贵意见、建议及要求反馈给我厂。我们感谢贵单位使用我厂的产品,我厂建立有完整的营销网络及完善的售后服务体系,售后服务部已将您购买的产品建立了信息档案。如果您购买的产品出现质量问题,我们将及时为您提供全方位的服务。
Copyright ? 2007-2019 振动筛厂家-PP电子 | All Rights Reserved 版权所有
备案序号:豫ICP备09002479号-1