PP电子

振动筛

振动筛12年生产厂家

过滤,除杂,分级

联系方式
振动筛 > 产品中心 > 400型全不锈钢振动筛

400型全不锈钢振动筛

400mm直径两层三个出料口不锈钢旋振筛,整机为不锈钢材质

3电机功率:kw

2-500筛网面积:(目)

1960有效直径:(mm)

适合各种粉料和浆液小批量的生产使用,该机体积小方便移动

厂家微信

厂家直销
一对一指导
上门安装
质保1年

全国统一销售热线 0373-2682 333

免费获取报价

400型全不锈钢振动筛

一、400型全不锈钢振动筛概述:

400型全不锈钢振动筛为400mm直径两层三个出料口不锈钢旋振筛,整机为不锈钢材质,广泛应用于医药行业中的药粉的筛分,适合各种粉料和浆液小批量的生产使用,该机体积小方便移动。

400型全不锈钢振动筛

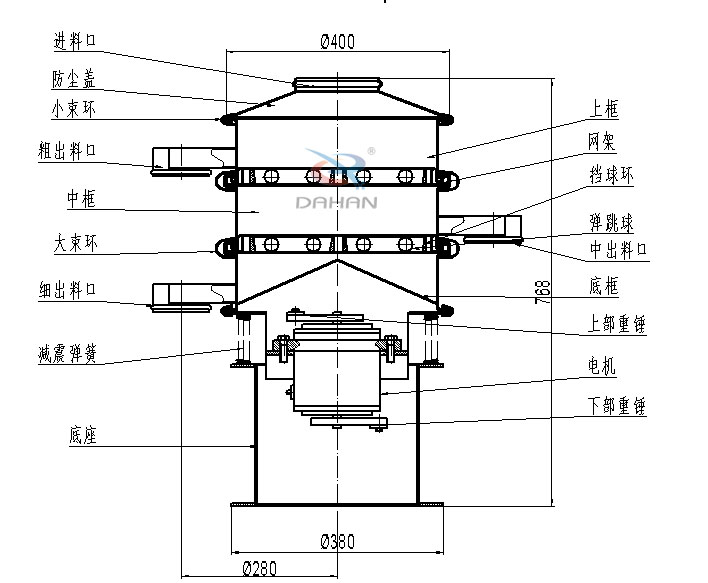
二、400型全不锈钢振动筛结构图:

400mm两层振动筛结构图

三、400型全不锈钢振动筛产品展示:

全不锈钢振动筛特点

四、400型全不锈钢振动筛技术参数:

 

400mm振动筛技术参数

五、400型全不锈钢振动筛工作原理:

  振动筛由直立式振动电机作为激振源,电机上、下两端安装有偏心重锤,将电机的旋转运动转变为水平、垂直、倾斜的三次元运动,再把这个运动传递给筛面进行筛分。调节上、下两端的相位角,可以改变物料在筛面上的运动轨迹。

振动筛工作原理

六、振动筛电机调整示意图:

振动筛原理

七、400型全不锈钢振动筛的特点:

振动筛特点

  ☆ 效率高、设计精巧耐用,粉类、粘液均可筛分。

  ☆ 换网容易、操作简单、清洗方便。

  ☆ 网孔不堵塞、粉末不飞扬、可筛至400目或0.028mm。

  ☆ 杂质、粗料自动排出,可以连续作业。

八、400型全不锈钢振动筛使用的行业:

振动筛适用行业

  化工行业:树脂、涂料、工业药品、化妆品、油漆、中药粉等。

  食品行业:糖粉、淀粉、食盐、米粉、奶粉、豆浆、蛋粉、酱油、果汁等。

  金属、冶金矿业:铝粉、铅粉、铜粉、矿石、合金粉、焊条粉末、二氧化锰、电解铜粉、电磁性材料、研磨粉、耐火材料、高岭土、石灰、氧化铝、重质碳酸钙、石英砂等。

  公害处理:废油、废水、染整废水、助剂、活性碳等。

sitemap网站地图