PP电子

    振动筛

    振动筛12年生产厂家

    过滤,除杂,分级

    联系方式
    振动筛 > 产品中心 > Φ800型振动筛

    Φ800型振动筛

    型号:Φ800型振动筛

    筛分直径(mm):750

    入料度(r/min):1440

    电压(v):0.55

    功率(kw):0.55

    处理量(kg/h):800

    厂家微信

    厂家直销
    一对一指导
    上门安装
    质保1年

    全国统一销售热线 0373-2682 333

    免费获取报价

    Φ800型振动筛

    Φ800型振动筛概述:

      DH-800-2S振动筛为800mm直径两层三个出料口不锈钢振动筛,子母双层网分离式网架,与物料接触部分为304不锈钢材质,底座为碳钢材质。

    800型振动筛

      关于“振动筛”:这个名称是所有振动筛分设备类产品的总称,确切点讲这种圆形的振动筛根据国家相关标准叫“旋振筛”,由于其振动运转原理很多企业也称之为“三次元振动筛分过滤机”。

    800型振动筛

    Φ800型振动筛细节展示:

    振动筛细节

    Φ800型振动筛特点:

    振动筛特点

      ☆ 效率高、设计精巧耐用,粉类、粘液均可筛分。

      ☆ 换网容易、操作简单、清洗方便。

      ☆ 网孔不堵塞、粉末不飞扬、可筛至400目或0.028mm。

      ☆ 杂质、粗料自动排出,可以连续作业。

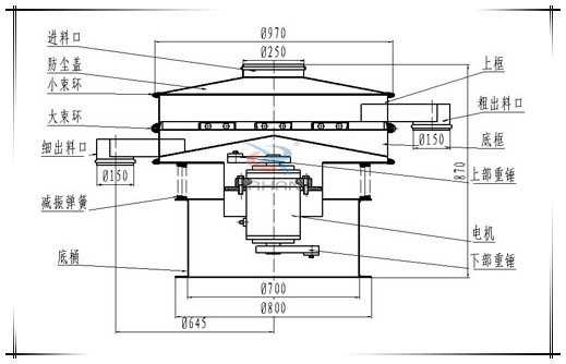
    Φ800型振动筛外形尺寸:

    800-2S全不锈钢振动筛

    Φ800型振动筛技术参数:

    800-2S全不锈钢振动筛技术参数

    Φ800型振动筛工作原理:

    800-2S全不锈钢振动筛工作原理

      振动筛用与原理:基本原理由直立式振动电机作为激振源,电机上、下两端安装有偏心重锤,将电机的旋转运动转变为水平、垂直、倾斜的三次元运动,再把这个运动传递给筛面。调节上、下两端的相位角,可以改变物料在筛面上的运动轨迹。

    Φ800型振动筛适用行业:

    800-2S全不锈钢振动筛适用行业

      化工行业:树脂、涂料、工业药品、化妆品、油漆、中药粉等。

      食品行业:糖粉、淀粉、食盐、米粉、奶粉、豆浆、蛋粉、酱油、果汁等。

      金属、冶金矿业:铝粉、铅粉、铜粉、矿石、合金粉、焊条粉末、二氧化锰、电解铜粉、电磁性材料、研磨粉、耐火材料、高岭土、石灰、氧化铝、重质碳酸钙、石英砂等。

      公害处理:废油、废水、染整废水、助剂、活性碳等。

    Φ800型振动筛发货图片:

    800-2S全不锈钢振动筛发货

    售后服务:

      1.保修期内非因操作不当造成需要更换的零配件及设备由我厂负责包修、包换。

      2.质量保证期结束后,我厂将继续免费提供售后服务,不限年份终身服务,仅收取零部件成本费,免收人工费,免收维修费。

    服务承诺:

      为了向您提供完善的售后服务,请将您的宝贵意见、建议及要求反馈给我厂。我们感谢贵单位使用我厂的产品,我厂建立有完整的营销网络及完善的售后服务体系,售后服务部已将您购买的产品建立了信息档案。如果您购买的产品出现质量问题,我们将及时为您提供全方位的服务。

    sitemap网站地图