振动筛12年生产厂家
过滤,除杂,分级

30吨/时产量:
140目筛分目数:
0.75kw电机功率:

全国统一销售热线
免费获取报价

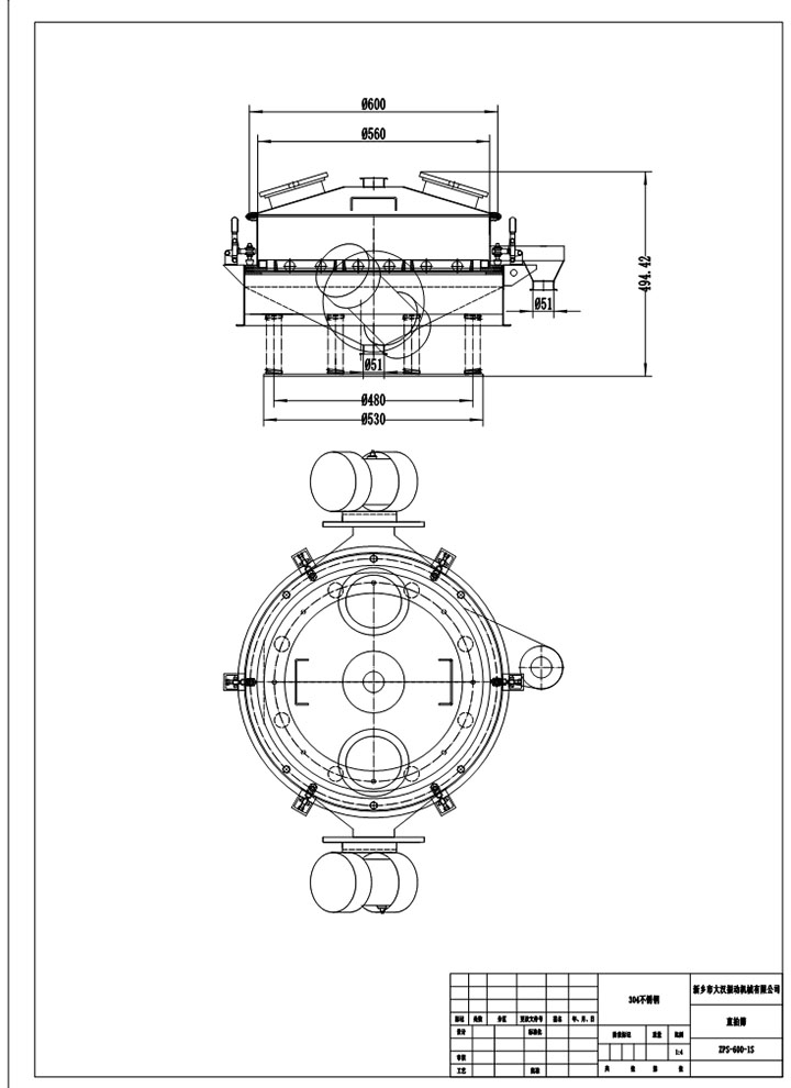
快速拆卸直排筛又叫快拆直排筛,就是可以快速拆开和卸下配件,并进行更换的直排筛,整个拆卸过程只需要5分钟就可完成,可大大节约成本和人力。

1. 采用法兰板扣固定,操作方便,可随时拆卸;
2. 维修快捷,可快速拆卸,更换筛网,只需5分钟。
3. 除杂产量大,是普通圆筛的2-5倍,产量可大30吨/时
4. 采用垂直上下料,物料快速过网,在筛机中停留时间短,出料迅速。

快速拆卸直排筛工作时,物料从进料口位置进入筛机内,在筛面上做水平,垂直,倾斜的三次元运动,并快速过网,从出料口排出。

| 型号 | 功率 | 筛面直径mm | 有效面积㎡ | 体积mm |
| ZPS-600 | 0.18 | 520 | 0.2124 | 740*600*560 |
| ZPS-800 | 0.25 | 720 | 0.4072 | 1010*800*600 |
| ZPS-1000 | 0.37 | 890 | 0.6221 | 1200*970*640 |
| ZPS-1200 | 0.55 | 1090 | 0.9331 | 1430*1170*700 |
| ZPS-1500 | 0.75 | 1390 | 1.5175 | 1780*1470*760 |
快速拆卸直排筛常用于140目内面粉、淀粉、奶粉、洗衣粉、金属粉、添加济、化工、非矿等行业颗粒、粉末的粗略筛分。

Copyright ? 2007-2019 振动筛厂家-PP电子 | All Rights Reserved 版权所有
备案序号:豫ICP备09002479号-1