
产品类别:三次元振动筛
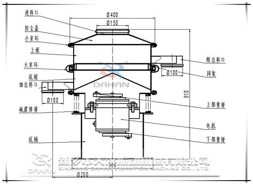
产品简介:小型振动筛为直径400mm的单层两个出料口振动筛,网架采用子母网分离结构,整机为碳钢材质。体积。贫奖悖鄹癖阋,适合小产量要求的客户使用。
全国统一销售热线
免费获取报价
小型振动筛为直径400mm的单层两个出料口振动筛,网架采用子母网分离结构,整机为碳钢材质。体积。贫奖悖鄹癖阋,适合小产量要求的客户使用。
振动筛厂家PP电子机械可根据客户需求设计特殊型号,无论物料是干是湿,是精细是粗糙,是比重大是比重轻,0-400目都可以筛选,不管是液态的,还是浆状的0-600目都可以过滤。
PP电子振动筛系列产品同时配备专门的筛网清理装置,把堵网率降到低,过网率和处理精度得以有效提高。PP电子机械具备特殊型号制造的能力让顾客对PP电子产品有更多的选择。